Hajtómű PVFA90 L1 normál bolygóműves, Nema34 léptetőmotorhoz
 
elektrobot.hu elektrobot.hu
\ Loading news...
/
Új vagy? Klikk! Tudtad-e? GYIK Miért mi?
Menü
  
CNC, 3D nyomtató, Lézer  »  Hajtómű, bolygómű  » 
Hajtómű PVFA90 L1 normál bolygóműves, Nema34 léptetőmotorhoz
1:3 áttétel
Cikkszám: #8624
Cikkszám: #8624
(Bruttó) Ár:  91,900 Ft
(Bruttó) Ár: 91,900 Ft
Nem elérhető/Kérdezzen Nem elérhető
Ez a termék kifutott, vagy kifogyott és beszerzés alatt sincs. E-mailben érdeklődhet, telefonon nem tudunk plusz információval szolgálni.

A kategóriába visszalépve több hasonló vagy helyettesítő terméket is találhat!
Hajtómű PVFA90 L1 normál bolygóműves, Nema34 léptetőmotorhoz
Hajtómű PVFA90 L1 normál bolygóműves, Nema34 léptetőmotorhoz

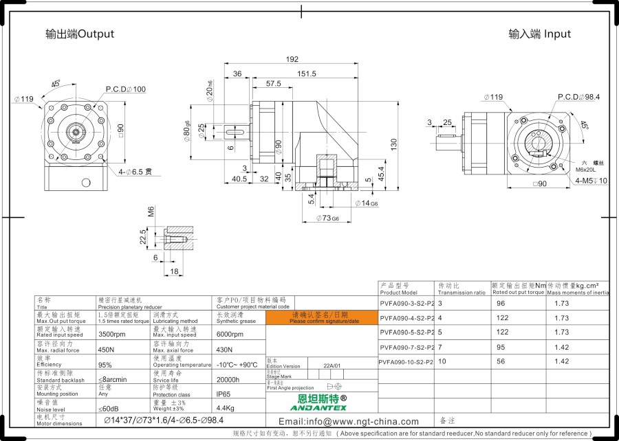
Bolygóműves hajtómű Nema34-es léptetőmotorokhoz
PVFA90-14-73-98


Mi az a hajtómű?

A hajtómű ahhoz szükséges, hogy az elé kapcsolt villanymotor forgatónyomatékát és fordulatszámát átalakítsa aszerint, hogy azok eleget tegyenek az adott alkalmazás hajtástechnikai követelményeinek. Emiatt a hajtómű a hajtóműves motor központi építőeleme.

Hogy működnek a hajtóművek?

 A hajtómű építési módtól, kiviteli mérettől és hajtóműfokozatoktól függően csökkenti vagy növeli a motor fordulatszámát. A hajtómű i eredő fordulatszám-áttétele a behajtási és a kihajtási fordulatszám aránya, így a hajtómű egyik fontos jellemzője. Az, hogy egy hajtómű mennyire erőteljes és mekkora terhet bír szállítani, a maximális forgatónyomatéktól függ, amelynek mértékegysége a newtonméter (Nm).

A bolygókerekes hajtóművek különleges szerkezeti formával rendelkeznek. Ezeknél az erőátvitel koaxiális. A behajtó tengely – a központi napkerék – fordulatszámát és forgatónyomatékát három vagy több körülötte futó bolygókerék alakítja át és viszi át a külső (belső fogazású) kerékre (kihajtási oldalra). Ennek a kialakításnak az a különlegessége, hogy a behajtótengely és a kihajtótengely így egy irányban mozog. Szervomotorral kombinálva ezek az egységek szervo bolygókerekes hajtóműves motorként különösen nagy dinamikát és precizitást kínálnak.


Normál kivitel
Hatásfok: 96%
Kottyanás: <8 szögperc
Súlya: 4,4kg
Névleges behajtási sebesség: 3500rpm
Maximális behajtási sebesség: 6000rpm
Szigetelés: IP65
Kenés: élettartam
Zaj: <60db
Élettartam: ~20000 óra

 Műszaki rajz
 3D modell


 


Kapcsolódó termékek


Kapcsolódó cikkek

Vélemények (küldje be Ön is véleményét)


Hajtómű PVFA90 L1 normál bolygóműves, Nema34 léptetőmotorhoz Hajtómű PVFA90 L1 normál bolygóműves, Nema34 léptetőmotorhoz

Figyelem, a képek csak illusztrációk, a kiegészítők, a színek és a csomagolás eltérhet.
A termékleírásban esetlegesen előforduló hibákért felelősséget nem vállalunk. Ha a paraméterekben nem biztos, ellenőrizze a gyártónál.
RÓLUNK
Cégünk elektronikai és szoftveres fejlesztésekkel foglalkozik, ami mellett internetes kereskedelmet is indítottunk az ehhez kapcsolódó modulok és fejlesztő egységekkel. Már több mint 15.000 féle termék rendelhető, melyből több mint 5000 saját raktárunkról azonnal elérhető. Fiatal cégként dinamikusan bővülünk, alkalmazkodunk a modern igényekhez. Támogatjuk a hazai fejlesztéseket, és diákokat, termékekkel, szolgáltatásokkal, és saját tudásunkkal. Rendszeres vásárlóink között tudhatunk rengeteg magyar nagyvállalatot, oktatási intézményt, megbízóink között pedig több fejlődő kis- és közép- vállalkozást.
KÖZÖSSÉGI JELENLÉT
2016-tól mi béreljük az elektrobot.hu-t, mely egy közösségi blog és híroldalként indult, ezen keresztül korábban több elektronikai cég forgalmazott, és jelenleg is hírdeti szolgáltatásait. Rendszeresen jelen vagyunk a magyar elektronikai fórumokon online és kiállítások, rendezvények formájában. Próbáljuk összehozni az oktatásban és versenyeken résztvevőket a fiatal cégekkel, és a komolyabb megbízókkal.
...