Bolygóműves hajtómű Nema34-es léptetőmotorokhoz
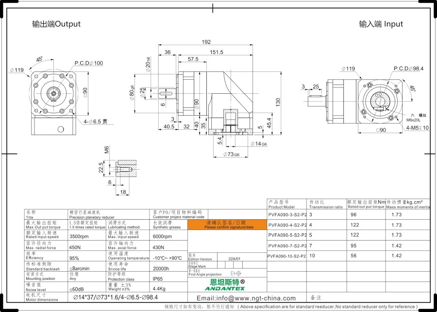
PVFA90-14-73-98
Mi az a hajtómű?
A hajtómű ahhoz szükséges, hogy az elé kapcsolt villanymotor forgatónyomatékát és fordulatszámát átalakítsa aszerint, hogy azok eleget tegyenek az adott alkalmazás hajtástechnikai követelményeinek. Emiatt a hajtómű a hajtóműves motor központi építőeleme.
Hogy működnek a hajtóművek?
A hajtómű építési módtól, kiviteli mérettől és hajtóműfokozatoktól függően csökkenti vagy növeli a motor fordulatszámát. A hajtómű i eredő fordulatszám-áttétele a behajtási és a kihajtási fordulatszám aránya, így a hajtómű egyik fontos jellemzője. Az, hogy egy hajtómű mennyire erőteljes és mekkora terhet bír szállítani, a maximális forgatónyomatéktól függ, amelynek mértékegysége a newtonméter (Nm).
A bolygókerekes hajtóművek különleges szerkezeti formával rendelkeznek. Ezeknél az erőátvitel koaxiális. A behajtó tengely – a központi napkerék – fordulatszámát és forgatónyomatékát három vagy több körülötte futó bolygókerék alakítja át és viszi át a külső (belső fogazású) kerékre (kihajtási oldalra). Ennek a kialakításnak az a különlegessége, hogy a behajtótengely és a kihajtótengely így egy irányban mozog. Szervomotorral kombinálva ezek az egységek szervo bolygókerekes hajtóműves motorként különösen nagy dinamikát és precizitást kínálnak.
Normál kivitel
Hatásfok: 96%
Kottyanás: <8 szögperc
Súlya: 4,4kg
Névleges behajtási sebesség: 3500rpm
Maximális behajtási sebesség: 6000rpm
Szigetelés: IP65
Kenés: élettartam
Zaj: <60db
Élettartam: ~20000 óra
Műszaki rajz
3D modell
