Esztergatokmány 125mm
Négy pofás, spiráltárcsás, önbeálló, hátsó rögzítéssel (3db M8 csavar)
Tartozékok:
8db pofa (4db fordított)
1db négyszögletű kulcs
3db M8 rögzítő csavar
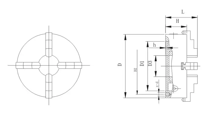
Méretek:
| D | D1 | D2 | D3 | H | h | L | z-d |
| 125mm | 95mm | 108mm | 30mm | 58mm | 3,5mm | 84mm | 3-M8 |
